首 页  13  公司简介  13  产品展示  13  应用实例  13  技术支持  13   发货信息  13  数显表驱动  13  在线销售  13  友情链接
西门子PLC CPU222

CPU222技术规范

 

型 号
定货号
CPU 222 DC/DC/DC
6ES7 212-1AB20-0XB0
CPU 222 AC/DC/继电器
6ES7 212-1BB20-0XB0
总体特性
外形尺寸 (长x宽 x 高)
重量
功耗
90 mm x 80 mm x 62 mm
270 g
4 W
90 mm x 80 mm x 62 mm
310 g
6 W
CPU 特性
本机数字输入
本机数字输出
8 输入
6 输出
8 输入
6 输出
高速计数器 (32-位值)
???? 总数
???? 单相计数器个数
???? 两相计数器个数
脉冲输出
模拟电位器
时间中断
边沿中断
可选择的输入滤波器时间
脉冲捕捉
?
4 个高速计数器
4 个都是20 kHz 时钟速率
2 个都是20 kHz 时钟速率
2 个,20 kHz 脉冲速率
1 个,8 位分辨率
2 个,1 ms 分辨率
4 个上升沿和/或 4 下降沿
7 个,范围0.2 ms ~ 12.8 ms
8 个脉冲捕捉输入
?
4 个高速计数器
4 个都是 20 kHz 时钟速率
2 个都是 20 kHz 时钟速率
2 个,20 kHz 脉冲速率
1个,8 位分辨率
2 个,1 ms 分辨率
4 个上升沿和/或 4 下降沿
7 个,范围 0.2 ms ~ 12.8 ms
8 个脉冲捕捉输入
程序空间 (永久保存)
数据块空间:
???? 永久保存
???? 由超级电容或电池保存
扩展模块的数量
最大的数字量 I/O
最大的模拟量 I/O
2048 字
1024 字
1024 字
1024 字
2个模块
256
16 AI/16 AO
2048 字
1024 字
1024 字
1024 字
2 个模块
256
16 AI/16 AO
内部存储器位
???? 掉电永久保存
???? 由超级电容或电池保存
256 位
112 位
256 位
256 位
112 位
256 位
定时器总数
???? 由超级电容或电池保存
???? 1 ms
???? 10 ms
???? 100 ms
256 定时器
64 定时器
?
4 定时器
16 定时器
236 定时器
256 定时器
64 定时器
?
4 定时器
16 定时器
236 定时器
计数器总数
???? 由超级电容或电池保存
布尔量运算执行速度
字传送的执行速度
定时器/计数器执行速度
单精度数学运算执行速度
实数运算执行速度
超级电容的数据保存时间
256 计数器
256 计数器
0.37 μs 每条指令
34 μs 每条指令
50 μs ~ 64 μs 每条指令
46 μs 每条指令
100 μs ~ 400 μs 每条指令
50 小时/典型,8 小时/最小,40° C
256 计数器
256 计数器
0.37 μs 每条指令
34 μs 每条指令
50 μs ~ 64 μs 每条指令
46 μs 每条指令
100 μs ~ 400 μs 每条指令
50 小时/典型,8 小时/最小,40° C
本机通讯
通讯口数
电气接口
隔离 (外部信号到逻辑电路)
PPI/MPI 波特率
自由口波特率
?
1 口
RS-485
不隔离
9.6, 19.2, 和 187.5k 波特
0.3, 0.6, 1.2, 2.4, 4.8, 9.6, 19.2, 和38.4 k 波特
?
1 口
RS-485
不隔离
9.6, 19.2, 和 187.5 k 波特
0.3, 0.6, 1.2, 2.4, 4.8, 9.6, 19.2, 和38.4 k 波特
每网络段最大电缆长度
???? 直到 38.4 k 波特
???? 187.5 k 波特
最大站数
每个网络段 / 每个网络
最大主站数
PPI 主站模式 (NETR/NETW)
MPI 连接
?
1200 m
1000 m
32 站 / 126 站
32 主站

共 4个; 2 保留:
一个 给 PG ,另一个给 OP
?
1200 m
1000 m
32 站 / 126 站
32 主站

共 4 个; 2 保留:
一个 给 PG ,另一个给 OP
可选的卡
存储器卡 (永久保存)
电池卡 (数据保存时间)
时钟卡 (时钟精确度)
?
程序、数据和组态
200 天/典型
25° C时,2 分钟/月
0~55° C 时,7 分钟/月
?
程序、数据和组态
200 天/典型
25° C时,2 分钟/月
0~55° C 时,7 分钟/月
电源
电源电压允许范围
?
输入电流 仅 CPU / 最大负载
?
冲击电流(最大)
隔离 (输入电源到逻辑电路)
保持时间 (从断开电源)
内部应用 (用户不能替换)
20.4~ 28.8 VDC
?
70/600 mA ,24 VDC
?
10 A ,28.8 VDC
不隔离
10 ms,24 VDC
2 A,250 V,慢速熔断
85 ~ 264 VAC
47 ~ 63 Hz
25/80 mA ,240 VAC
25/180 mA ,120 VAC
20 A ,264 VAC
1500 VAC
80 ms ,240 VAC, 20 ms,
120 VAC
2 A,250 V,慢速熔断
+5 V 扩展I/O模块电源 (最大) 340 mA 340 mA
24 VDC 传感器电源输出
电压范围
最大电流
纹波找声躁声
电流限制
隔离 (传感器到逻辑电路)
?
15.4 ~ 28.8 VDC
180 mA
和电源相同
600 mA
不隔离
?
20.4 ~ 28.8 VDC
180 mA
峰峰值小于 1V (最大)
600 mA
不隔离
主机输入数
输入类型
8 输入
汇型/源型 (IEC Type 1 漏型)
8 输入
汇型/源型 (IEC Type 1 漏型)
输入电压
允许的最大连续值
浪涌
标称值
逻辑 1 信号(最小)
逻辑 0 信号 (最大)
?
30 VDC
35 VDC/ 0.5 s
24 VDC/ 4mA, 标准值
15 VDC/ 2.5 mA, 最小
5 VDC/ 1 mA, 最大
?
30 VDC
35 VDC/ 0.5 s
24 VDC/ 4 mA, 标准值
15 VDC/ 2.5 mA, 最小
5 VDC/ 1 mA, 最大
隔离 (现场侧到逻辑电路)
光电隔离
隔离组
?
500 VAC ,1 分钟
4 输入
?
500 VAC ,1 分钟
4 输入
输入延时
滤波输入和中断输入
?
0.2 ~ 12.8 ms, 用户可选
?
0.2 ~ 12.8 ms, 用户可选
HSC 时钟输入速率
单相
???? 逻辑 1 电平 = 15 ~ 30 VDC
???? 逻辑 1 电平 = 15 ~ 26 VDC
两相
???? 逻辑 1 电平 = 15 ~ 30 VDC
???? 逻辑 1 电平 = 15 ~ 26 VDC
?
?
20 kHz
30 kHz
?
10 kHz
20 kHz
?
?
20 kHz
30 kHz
?
10 kHz
20 kHz
输入特性
连接 2 线接近开关传感器 (Bero) 允许漏电流 ?
最大 1 mA
?
最大 1 mA
电缆长度
不屏蔽 (不是 HSC)
屏蔽
屏蔽的 HSC 输入
?
300 m
500 m
50 m
?
300 m
500 m
50 m
输入同时接通的数目
40 ° C
55 ° C
?
8 输入
8 输入
?
8 输入
8 输入
输出特性
主机输出数
输出类型
6 输出
固态-MOSFET
6 输出
继电器-干触点
输出电压
允许范围
标称值
最大电流时逻辑 1 信号
带10 KΩ负载时逻辑 0 信号
?
20.4 ~ 28.8 VDC
24 VDC
20 VDC,最小
0.1 VDC, 最大
?
5 ~ 30 VDC 或 5 ~ 250 VAC
-
-
-
输出电流
逻辑 1 信号
输出组数
输出接通个数 (最多)
每组 - 水平安装 (最多)
每组 - 垂直安装 (最多)
每组的最大电流
灯负载
接通电阻 (触点电阻)
每点的漏电流
浪涌电流
过载保护
?
0.75 A
1
6 输出
6 输出
?
6 输出
?
4.5 A
5 W
0.3Ω
最大 10 μA
8 A ,100 ms (最大)
?
2.00 A
2
6 输出
3 输出
?
3 输出
?
6 A
30 W DC/ 200 W AC
当是新的时,最大 0.002Ω
-
触点闭合时 7 A
隔离
光电隔离
隔离电阻
线圈到触点的隔离
触点间的隔离
?
500 VAC ,1 分钟
-
-
-
6 点
?
-
当是新的时,最小 100 MΩ
1500 VAC,1 分钟
750 VAC, 1 分钟
3 点
感性负载嵌位
重复的能量吸收 < 0.5 LI2 x 开关速率
嵌位电压限制
?
1 W, 所有通道
正负 48 V
?
-
-
输出延时
Off 到 On (Q0.0 和 Q0.1)
On 到 Off (Q0.0 和 Q0.1)
Off 到 On (Q0.2 和 Q0.5)
On 到 Off (Q0.2 和 Q0.5)
?
2 μs, 最大
10 μs, 最大
15 μs, 最大
100 μs, 最大
?
-
-
-
-
开关频率 (脉冲串输出)
Q0.0 and Q0.1
?
20 kHz,最大
?
1 Hz,最大
继电器
开关延时
机械寿命 (无负载)
带标称负载时触点寿命
?
-
-
-
?
10 ms,最大
10,000,000 开/关循环
100,000 开/关循环
电缆长度
不屏蔽
屏蔽
?
150 m
500 m
?
150 m
500 m

 

 

 

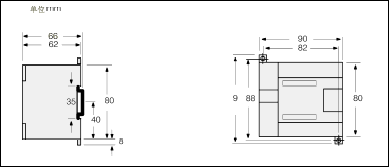
CPU222 尺寸图

CPU222订货数据

订货数据 订货号
CPU 222
24V DC电源
24V DC输入
24V DC输出
6ES7 212-1AB21-0XB0
100~230V AC电源
24V DC输入继电器输出
继电器输出
6ES7 212-1BB21-0XB0

 

pix
pix
地址:辽宁阜新  电话:0418-6878008  Email:liuxj60@163.com
bgm
pix
pix

关于我们 | 法律顾问
博瑞工控 版权所有   刘晨晖 制作维护
Copyright © 2008 www.hlp2.com All rights reserved  辽ICP备11008650号